Wiring Diagram Satria Fu
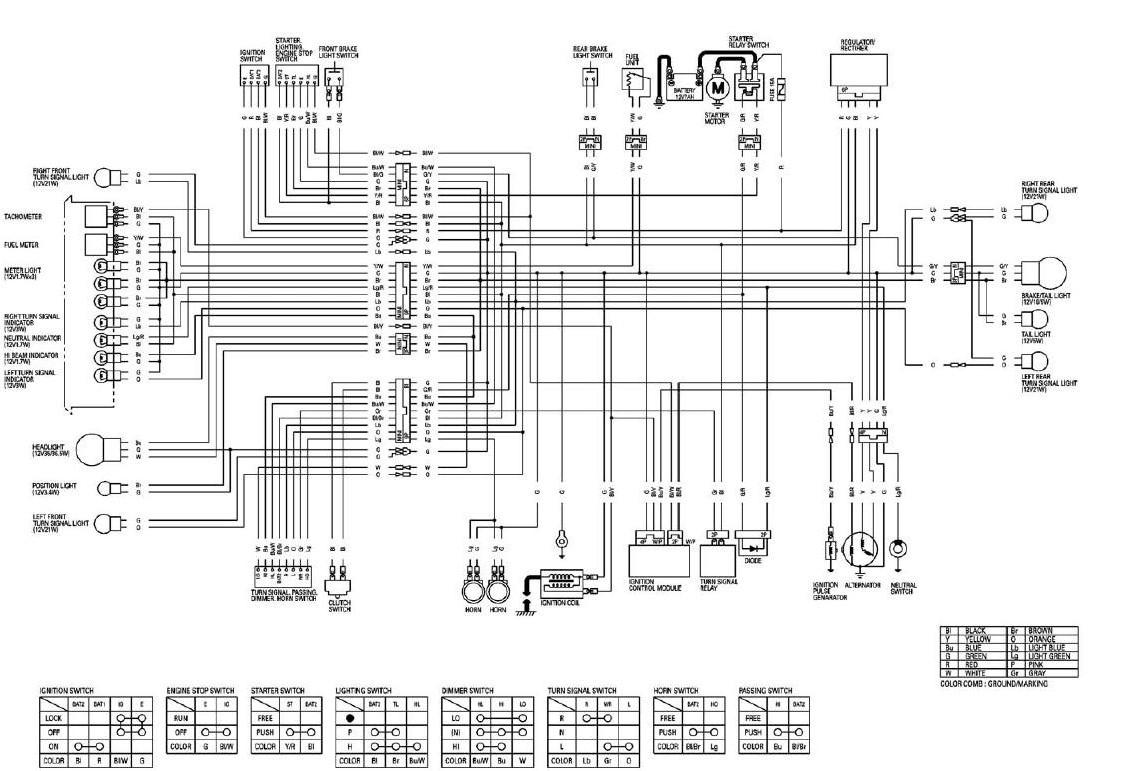
Suzukisatriafu diagramkelistrikan kabelmotor kelistrikan suzuki satria fu bagi yang akan membongkar kabel kelistrikan suzuki satria fu bisa melihat panduan gambar diagram kelistrikan suzuki satria fu berikut. Cba di perjls lgi gmbarnya boss.
Suzuki Satria F150 Cbu Ckd Scd Cooming Soon Emerha
Proton satria neo service manual.
Wiring diagram satria fu. Jadi wiring diagram speedometer satria fu ini lebih untuk melengkapi artikel di blog garasi modifikasi ini. Proton satria wiring diagram. Tapi ingat sodara speedometer satria fu injeksi ini banyak jebakannya.
Ford 6610 tractor wiring diagram ford 6610 tractor wiring diagram. All new satria f150 fuel injection bandung home facebook. Iklan tengah artikel 2.
It helps proton satria neo service manual complete. Home beat fi buku manual honda. Wiring diagram speedometer satria fu blog garasi modifikasi.
Ora kliatan jlas boss blur alias buram bgt gambarnya. Lampu depan satria fu new transformer idr 185 000 pcs. Helmotor ph honda click 125i game changer thoughts and impressions minor pros and cons duration.
Wiring diagram speedometer new megapro blog garasi modifikasi. Wiring diagram kelistrikan satria fu blognya iyuss diagram kelistrikan satria fu skema kelistrikan motor skema yamaha scorpio skema kelistrikan motor xeon skema kelistrikan motor wiring harness yamaha vixion skema kelistrikan motor mx135cc wiringdiagram blognya iyuss diagram kelistrikan honda cb 100 diagram kelistrikan honda supra. Newer post older post home.
Mar 15 2015 might find some explanations for proton satria wiring diagram. Ford 6610 ignition wiring diagram wiring diagram name source. Jadi hati hati dan sekali lagi resiko tanggung penumpang bukan berarti dengan mendapatkan wiring diagram speedometer satria fu injeksi ini sodara bisa memasang speedo keren ini pada motor kesayangan sodara dengan mudah dan langsung bisa akurat.
Sebenarnya wiring diagram speedometer satria fu ini sudah banyak dibahas oleh blog lain. Ford 7710 wiring diagram ford 7740 wiring diagrams residential. Wiring diagram ford 6610 tractor wiring diagram source.
Sedangkan hari ini sudah keluar satria fi dengan speedometer digital yang lebih modern dan informatif. 20honda beat fi wiring diagram edit. 5 kelemahan satria fu versi pengguna cara mengatasinya autoexpose.
Iklan tengah artikel 1. Rextor cdi installed on suzuki raider 150. Displaying 20honda beat fi wiring diagrampdf.
One type of proton exora service manual is the fact that which comes with a technical device. 2010 proton satria neo 16a.
Diagram Kelistrikan Satria Fu 150 Pengertian Dasar Teknik
Diagram Kelistrikan Suzuki Satria Fu
Doc Diagram Diagram Cdi Satria Fu Ebook Schematic
Doc Diagram Wiring Diagram Speedometer Satria Fu Injeksi
Wiring Diagram Kelistrikan Satria Fu Backup Gambar
Doc Diagram Diagram Cdi Satria Fu Ebook Schematic
Jawaban Tentang Pertanyaan Cdi Motor Eyuana Com
Wiring Diagram Speedometer Satria Fu Injeksi Blog Garasi
Wiring Diagram Speedometer Satria Fu Injeksi Sparepart
Jual Wiring Diagram Satria Fu Injeksi Kab Siak Qb Onlineshoop Tokopedia
Engine Manual Of Suzuki Raider 150
Doc Diagram Diagram Cdi Satria Fu Ebook Schematic
Doc Diagram Diagram Spido Satria Fu Injeksi Ebook
Wiring Diagram Speedometer Satria Fu Blog Garasi Modifikasi
Doc Diagram Diagram Speedometer Satria Fu Ebook
Kumpulan Gambar Wiring Diagram Sepeda Motor Terlengkap
Diagram Atau Jalur Kelistrikan Stater Pada Motor Satria Fu
Wiring Diagram Speedometer Satria Fu Blog
Doc Diagram Diagram Cdi Satria Fu Ebook Schematic
Doc Diagram Wiring Diagram Kelistrikan Motor Honda Ebook
Diagram Wiring Diagram Cdi Satria Fu Full Version Hd
Wiring Diagram Spido Satria Fu Mazpedia Com
Doc Diagram Em5000s Generator Wiring Diagram For Ebook
Doc Diagram Wiring Diagram Kelistrikan Motor Honda Ebook
The World S Newest Photos Of Diagram And Kelistrikan
Cara Menghilangkan Kode Chec Di Speedometer Satria Fu Fi
3f08 Wiring Diagram Motor Injeksi Basic Electronics
Modifikasi Dan Pin Out Speedometer Satria Fu Injeksi
Aplikasi Batok Lampu Baru Satria Fu 150 My Simple Journey
Jual Ring Washer Shifting Pedal Operan Gigi Satria Fu Original Sepasang Di Lapak Bekasi Motor Edi Marwanto
Flickriver Random Photos From Masih Fahrur Rozi
Modifikasi Dan Pin Out Speedometer Satria Fu Injeksi
Wrg 1374 Wiring Diagram Suzuki Raider 150
Diagram Wiring Diagram Motor Satria Fu Full Version Hd
1999 Pontiac Firebird Wiring Diagram Auto Electrical
Engine Manual Of Suzuki Raider 150 Manual Of Suzuki Raider
Wiring Diagram Kawasaki Ninja 150 R Wiring Diagram
Doc Diagram Diagram Cdi Satria Fu Ebook Schematic
Wiring Diagram Motor Satria Fu Wiring Diagram
Satria Fu Rx2n Motor Meter Backlight Adjustable Roda Ukuran Disesuaikan
Honda Cb100 Wiring Diagram Mwb Online Co
2008 F450 Trailer Wiring Diagram Ford F450 Trailer Wiring
Power Window Wiring Kit Schematics Online
Doc Diagram Nitefly Wiring Diagram Ebook Schematic
Wiring Diagram Speedometer Satria Fu Injeksi Sparepart
Spedometer Speedometer Spidometer Satria Fu Fi Injeksi Original Baru Termasuk Soket Universal
Suzuki Satria F150 Hyperunderbone Kaskus Part 3 Page 43
Y Plan Wiring Diagram Without Room Stat Wiring Diagram
Wiring Diagram By Ryodelphee Photobucket
Jual 09285b10008n000 Seal Clutch Release Pinion Oil Satria Fu Ori Kab Sleman Suzuki Sparepart Jogja Tokopedia
Diagram 95 Acura Integra Wiring Diagram Full Version Hd
Heidelberg Xl 105 Parts Manual 084 2500
Cara Menyambung Kabel Rpm Meter Tachometer
Wiring Diagram Spido Satria Fu Mazpedia Com
Diagram Wiring Diagram Spido Satria Fu Injeksi Full Version
E Wave Microwave Wiring Diagram Auto Electrical Wiring Diagram
Headlamp Suzuki Satria Fu 150 3d Cad Model Library Grabcad
Jalur Sistem Pengapian Dan Penerangan Suzuki Satria F
Fuse Box F S07 Delphi Ej Box Free Download Printable Wiring
Wiring Diagram Telecommunications Electricite
Arti Warna Kabel Kiprok Motor Honda Yamaha Suzuki
Wiring Diagram By Ryodelphee Photobucket
Suzuki Raider 150 Wiring Diagram Raider 150 Newbreed Cdi
Wiring Diagram Honda Tiger Revo Go To Work On A Wiring Diagram
Diagram Wiring Diagram Kelistrikan Jupiter Mx Full Version
Product Details Moc3063sta1v Moc3063 Optocoupler Integrated
Tips Motor Perbedaan Pin Koneksi Cdi Satria Fu150 Old Dan
Skema Pengapian Satria F 150 Kabel Body Bodi Simple Satria Fu
Parts Catalogue Suzuki Satria Fu 150 Versi Under 2008 Batok
Wiring Diagram Kelistrikan Honda Gl 100 Auto Electrical
Knalpot Satria Fu Meletus Dar Der Dorrr Ini Dia Penyebabnya
520 Jcb Wiring Diagram Wiring Library
Diagram Saturn Sl1 Engine Diagram Full Version Hd Quality
Diagram Wiring Diagram Satria F Full Version Hd Quality
Wiring Diagram Kelistrikan Satria Fu Auto Electrical
Jalur Sistem Pengapian Dan Penerangan Suzuki Satria F
Details About Suzuki Fu150 Raider 150 Satria F150 Service Owner S And Parts Manual Cd
Hypothermia Ecg Example Auto Electrical Wiring Diagram
Diagram Usb Cord Wiring Diagram Full Version Hd Quality
Modifikasi Dan Pin Out Speedometer Satria Fu Injeksi
Cdi Brt Powermax Dualband Suzuki Belang 2011 Satria Fu Raider Fx125 Rm270 Cdis Ecus Motorcycles Kuala Lumpur Imotorbike My
Honda Cbr1000f Wiring 20manualuniverse U2022modifikasi
Fuse Box F S07 Delphi Ej Box Free Download Printable Wiring
Spedometer Satria Fu Injeksi Speedometer Satria Fu Fi
Cover Speedo Bawah Satria Fu Facelift
Yamaha Aerox 155 Wire Harness Assy
Suzuki Satria F 150 Pakai Spidometer F 150 Injeksi Begini
Dimana Beli Karet Body Satria Fu Shogun 110 New Shogun 125
Diagram Honda Cbr 150 Fi Wiring Diagram Full Version Hd
Footstep Fu Crome Satria Fu Foostep Belakang Silver Wiring
1999 Pontiac Firebird Wiring Diagram Auto Electrical
Footstep Fu Crome Tromol Depan Satria Fu Chrome Jual
Monthly Archived On April 2019 Solar Panel To Battery


Komentar
Posting Komentar