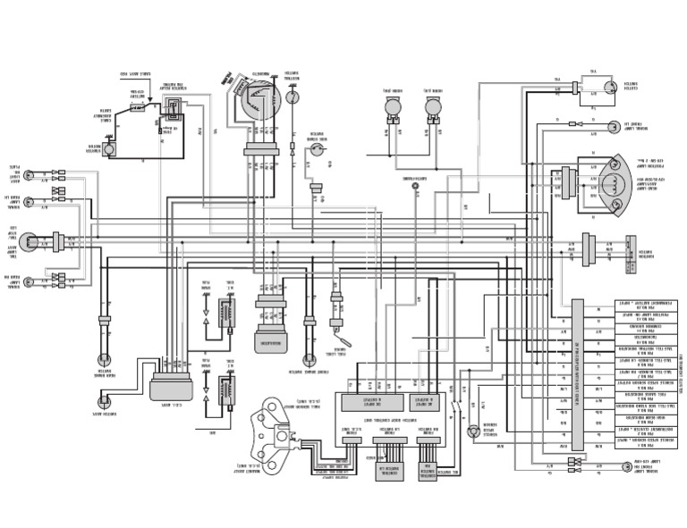
Pulsar 150 Full Wiring Diagram
His interests extended to metallurgy food industry. Pulsar 150 cc dts i dts i double down tube cradle.
 		 		 	Xbhp Com The Global Indian Biking Community 	
By no1 we are talking about unparalleled performance superior technology and incredible market leadership that pulsar today enjoys.
 			Pulsar 150 full wiring diagram. You are now the proud owner of indias no1 sports bike. Express delivery across india. Express delivery across india.
Bajaj genuine spare parts for online in 100 authentic quality for dominar pulsar pulsar 220 avenger avenger street avenger cruise 220f 220s 200ns as200 v15 v12. Part 1 bajaj pulsar 150 full engine fitting duration. Available 18 42 p 300 x p 240 mm disc 130 mm telescopic forks swing arm with twin 5 stage adj.
Hello friends i have bajaj pulsar 150 dtsi ug3 digital meterthe connector of cdi unit is broken so i decided to change it by mistake i cut the wire of connector and the connector is misplaced by meso i bring a new connector. Skip navigation sign in. Pulsar 150180 wiring diagram pulsar wiring in hindi pulsar motorcycle ki wiring detail ke liye aap ye video dekh sakte hai.
Planning to buy bajaj pulsar 150. Shoc with triple ratingcoil spring availab e 1320 mm. Know about bajaj pulsar 150 mileage reviews images specs and more at bajaj auto.
This video is unavailable. Bajaj auto one of the 26 companies included in the group bajaj group founded in 1926 by entrepreneur bajaj. Foreword welcome to the pulsar family.
Bajaj pulsar dtsi workshop manual. Page 32 bajaj pulsar 150 dts i auto limited for motorcycle and no other person including the bajaj dealer or its or parts of the vehicle that have been altered and his agent or employee is authorised to extend or enlarge modified or replaced in unauthorised manner like this warranty. This makes the pulsar you ride unbeatable and unchallenged both on and off the road.
In 1945 as part of the group was established trading company bahrai trading which was engaged in the import of motorcycles from europe. Magnetic switch ko old model ke switch me badalna. Bajaj genuine main wiring harness and relays with fuses for bajaj pulsar 200ns with 200cc dtsi engine in authentic quality and price.
 		 		
 	Doc Diagram Wiring Diagram Bajaj Pulsar 200 Ebook 	
 		 		 	Bajaj Wiring Diagram Schematics Online 	
 		 		
 	Wiring Harness Pulsar150 Cc Ug3 Es Digital Meter Swiss 	
 		 		 	Wrg 4838 Bajaj Pulsar Wiring Diagram 	
 		 		 	Doc Diagram Wiring Diagram Bajaj Pulsar 200 Ebook 	
 		 		
 	Wrg 6251 Bajaj Pulsar Wiring Diagram 	
 		 		
 	Short Circuit Detection Wiring Diagram 2 	
 		 		
 	Xbhp Com The Global Indian Biking Community 	
 		 		 	Doc Diagram Wiring Diagram Bajaj Pulsar 200 Ebook 	
 		 		
 	Increase Bajaj Pulsar S Headlight Intensity By 170 Page 	
 		 		
 	Wrg 2228 Bajaj Pulsar Wiring Diagram 	
 		 		
 	Bajaj Pulsar 150 Ug4 Dts I Ht Ignition Coil Cdi Unit 	
 		 		
 	Bajaj Pulsar 150 Ug4 Dts I Speedometer 	
 		 		 	Ultima Wiring Harness Schematics Online 	
 		 		 	Doc Diagram Wiring Diagram Bajaj Pulsar 200 Ebook 	
 		 		
 	Xbhp Com The Global Indian Biking Community 	
 		 		
 	Bajaj Avenger 150 Street Wiring Relays 	
 		 		
 	Wiring Diagrams Of Indian Two Wheelers Team Bhp 	
 		 		
 	Kia Wiring Diagrams Free Technical Diagrams 	
 		 		
 	Wiring Diagrams Of Indian Two Wheelers Team Bhp 	
 		 		 	Doc Diagram Wiring Diagram Bajaj Pulsar 200 Ebook 	
 		 		
 	150cc Engine Diagram Wiring Library 	
 		 		 	Solved Sir I Have A Bajaj Pulsar150 2006 Model Since Fixya 	
 		 		 	Taotao Engine Diagram Schematics Online 	
 		 		
 	Xbhp Com The Global Indian Biking Community 	
 		 		
 	Xt500 Wiring Schematic Bajaj Ct 100 Wiring Diagram Pdf 	
 		 		 	220 Fuse Diagram Wiring Diagrams 	
 		 		
 	Bajaj Pulsar As150 Wiring Relays 	
 		 		
 	Doc Diagram Wiring Diagram Bajaj Pulsar 200 Ebook 	
 		 		
 	Wiring Harness Pulsar150 Cc Dtsi Es Ug2 Model Swiss 	
 		 		
 	Dc Cdi Ignition Wiring Diagram Wiring Diagrams Folder 	
 		 		
 	Sunl 150 Atv Wiring Diagram Catalogue Of Schemas 	
 		 		
 	Sunl Scooter Wiring Diagram Schematics Online 	
 		 		
 	Wiring Diagrams Of Indian Two Wheelers Team Bhp 	
 		 		
 	Bajaj Pulsar 200 Owners Club Time For Some Mod Hid Lamp 	
 		 		 	Bike Wiring Diagram Pdf Technical Diagrams 	
 		 		 	Bajaj Pulsar 150 Classic Restoration And Modification Page 	
 		 		
 	Bajaj Pulsar 150 U5 Handle Bar Switch Rh Wiring Youtube 	
 		 		
 	Yamoto Cdi Wires Diagram Machine Learning 	
 		 		
 	Electric Wiring System Diagram Honda New Pcx 150 2018 	
 		 		
 	Nissan N16 Wiring Diagram Pdf Wiring Diagram 	
 		 		
 	Auto Hub Bike Hid Led Headlight Bulb For Bajaj Pulsar 150 	
 		 		
 	Wiring Diagram Of Suzuki Raider 150 Wiring Diagrams Folder 	
 		 		
 	Bajaj Pulsar Wiring Diagram Wiring Diagram 	
 		 		
 	Bajaj Pulsar 150 Dtsi 360 Degree View And Colour Bajaj Auto 	
 		 		 	Doc Diagram Astra Electric Window Wiring Diagram Ebook 	
 		 		
 	Creative Pulsar 150 Horn Wiring Diagram Bajaj Pulsar 150 	
 		 		
 	Diagrama De Cableado De Atcc De 110cc De 2007 En Todo El 	
 		 		 	Bajaj Pulsar Electrical Wiring Diagram Pdf New Wiring 	
 		 		
 	Star Golf Cart Wiring Diagram Wiring Schematic Diagram 4 	
 		 		 	Cb160 Wiring Diagram Catalogue Of Schemas 	
 		 		 	Bath Fan Wiring Schematic Auto Electrical Wiring Diagram 	
 		 		 	Bajaj Pulsar Electrical Wiring Diagram Pdf Popular Wiring 	
 		 		 	Bike Wiring Diagram Pdf Technical Diagrams 	
 		 		
 	Doc Diagram Moped Wiring Diagram Headlights Ebook 	
 		 		
 	Electrical Wiring Diagram Of Bajaj Pulsar 150 Electrical 	
 		 		
 	Aprilia Motorcycles Manual Pdf Wiring Diagram Fault Codes 	
 		 		
 	Honda Xrm 125 Wiring Diagram Electrical Wiring Diagram 	
 		 		 	Wiring Diagram Pulsar 180 8 1536060247 V 1 Domainadvice Org 	
 		 		 	12 Most Pulsar Electrical Wiring Diagram Ideas Type On Screen 	
 		 		 	Bajaj Pulsar 150 Pulsar 150 Price Mileage Images Bajaj Auto 	
 		 		 	Bajaj 150 Wiring Diagram Wiring Diagram For Electrical 	
 		 		 	Nissan Pulsar Engine Diagram Auto Electrical Wiring Diagram 	
 		 		
 	Gy6 150cc Ignition Troubleshooting Guide No Spark Buggy 	
 		 		 	Swiss 5 Schematic Wiring Schematics Online 	
 		 		
 	Wiring Harness Discover Dtsi 135cc Es Upgrade Alloy Wheel 2008 Model Sports Disgital Model Swiss Motorcycle Parts For Bajaj Discover Dtsi 135 Cc 	
 		 		
 	Wiring Diagrams Of Indian Two Wheelers Team Bhp 	
 		 		 	Pulsar 150 Dtsi Wiring Diagram Wiring Diagram 	
 		 		
 	E4od Wiring Diagrams Catalogue Of Schemas 	
 		 		 	Dc Cdi Ignition Wiring Diagram Wiring Diagrams Folder 	
 		 		 	57 Chevy Coil Wiring Technical Diagrams 	
 		 		
 	Bajaj Pulsar Ns160 Wiring Relays 	
 		 		 	Bajaj Pulsar Electrical Wiring Diagram Pdf Cleaver Pulsar 	
 		 		 	Pulsar 220 Wiring Diagram Lovely Pulsar 150 Centrifugal Oil 	
 		 		
 	Pulsar 150 Wiring Diagram Pdf Wiring Schematic Diagram 	
 		 		
 	Coil Plate Assembly For Bajaj Pulsar 150 180 M G 	
 		 		
 	Electrical Wiring Diagram Of Bajaj Pulsar 150 Electrical 	
 		 		
 	St 150 Fuse Box Cbr 2007 F Ford Panel Enthusiast Wiring 	
 		 		
 	Need Bajaj M80 Wiring Diagram Avenger Pulsar 150 Pdf Caliber 	
 		 		
 	Electric Wiring System Diagram Honda New Pcx 150 2018 	
 		 		
 	Honda Motorcycles Manual Pdf Wiring Diagram Fault Codes 	
 		 		 	Part 17 Electrical Wiring Central Air Conditioning System 	
 		 		
 	Electrical Modification Convert Apaches To Full Dc With 	
 		 		
 	Atv 150 Wiring Diagram Tank 150cc Scooter Gy6 Go Kart 	
 		 		
 	Yamoto Cdi Wires Diagram Machine Learning 	
 		 		
 	How To Rewire Install Fuel Pump Relay Mod 	
 		 		
 	Doc Diagram Wiring Diagram Kelistrikan Ac Split Ebook 	
 		 		 	Nissan Pulsar Engine Diagram Auto Electrical Wiring Diagram 	
 		 		
 	Rtr 3 Wire Harness Wire Schematics Online 	
 		 		 	Electrical Meter Base Wiring Diagram Studiolovestruck Com 	
 		 		
 	Wiring Diagrams Of Indian Two Wheelers Team Bhp 	
 		 		
 	1995 Nissan Pick Up Headlight Wiring Diagram N5nn 	
 		 		
 	Bajaj Pulsar 150 Spare Parts Catalogue Pdf Cardbk Co 	
 		 		
 	How To Repair My Bike Wiring Problem 	



Komentar
Posting Komentar