Hero Splendor Full Wiring Diagram
Splendor Wiring Diagram Questions Answers With Pictures
Honda Shine Motorcycle Wiring Diagrams Pdf Diagram
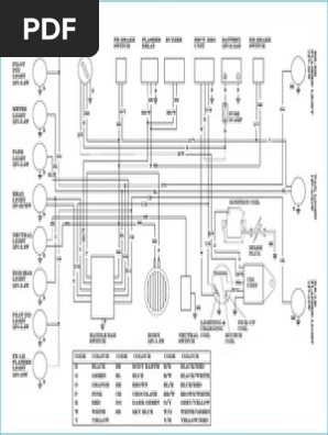
Typical Electrical Circuit Diagram Of Two Wheeler Download
Wiring Diagrams Of Indian Two Wheelers Team Bhp
Hero Honda Wiring Diagram Wiring Diagram
Wiring Harness Splendor Plus Ks Swiss
Typical Electrical Circuit Diagram Of Two Wheeler Download
Doc Diagram Diagram Of Hero Honda Pleasure Ebook
Splendor Wiring Harness Electrical Cables Wires Idol
Wiring Diagrams Of Indian Two Wheelers Team Bhp
Hero Honda Wiring Diagram Wiring Diagram
Typical Electrical Circuit Diagram Of Two Wheeler Download
Hero Splendor Pro Wiring Problems
Engine Parts Diagram Pdf Car Manual Perkins Basic Drawings
Wiring Diagrams Of Indian Two Wheelers Team Bhp
Honda Wiring Wiring Diagrams Folder
Typical Electrical Circuit Diagram Of Two Wheeler Download
Diagram Of Hero Technical Diagrams
Hero Splendor Plus Price Mileage Review Specs Features Models Drivespark
Hero Super Splendor Bike New Super Splendor Price Mileage
Coil Plate Assembly For Hero Super Splendor M G
Wiring Diagrams Of Indian Two Wheelers Team Bhp
Yamaha Crux Wiring Diagram Hero Splendor Plus Wiring Diagram
Hero Honda Splendor Plus Full Engine Assembly Part 1
Diagram Wiring Diagram Of Hero Honda Splendor Plus Full
Shop Online For Genuine Harness Wire Spare Parts At Hgpmart Com
Hero Splendor Plus Spare Parts And Accessories Price List 2019
Wiring Harness Splendor Pro Es 2010 Model Swiss Motorcycle Parts For Hero Honda Splendor Pro
Honda Wiring Wiring Diagrams Folder
Honda Wiring Schematics Online
Honda Wiring Catalogue Of Schemas
Hero Honda Wiring Diagram Schematics Online
Hero New Super Splendor Ibs Bike Scooter Mileage Photos
Wiring Harness Passion Pro Es Swiss
What Is I3s Technology In Motor Bike Hero Splendor
Auto Hub Bike Hid Led Headlight Bulb For Hero Splendor Plus
Honda Wiring Schematics Online
Doc Diagram Heating Manifold Wiring Diagram Ebook
Bmw E36 318i Engine Wiring Diagram Ravmwpq 9 Supercellule Fr
Hero Honda Splendor Plus Kill Switch Installation
Wiring Harness Passion Plus Ks Swiss
Hero Honda Cd 100 Electrical Diagram Electrical Wiring Hero
Hero Honda Super Splendor Wiring Diagram Wiring Diagram
I Fried The Rectifier In A Arctic Cat Wires Coming Wiring
Hero Splendor Plus Colours Splendor Plus Color Images
Wiring Diagram Of Hero Honda Diagram Wiring Diagram Images
Hero Honda Splendor Pro Download Scientific Diagram
Diagram Of Hero Wiring Schematic Diagram
Wiring Diagrams Of Indian Two Wheelers Team Bhp
Guance Combo Horn Relay Horn Wiring For Hero Super
Diagram Of Hero Wiring Diagram
Xbhp Com The Global Indian Biking Community
Deutz Engine Parts Manuals Pdf Manual Kohler Series Diesel
Wiring Diagram Of Hero Honda Super Splendor S412 0
Bajaj Bike Wiring Diagram Schematics Online
Hero Honda Splendor Auto Electrical Wiring Diagram
Doc Diagram Diagram Of Hero Honda Pleasure Ebook
Hero Splendor Plus Price Mileage Review Colours Photos
Yamaha Rx 100 Wiring Diagram Wiring Schematic Diagram 19
Xr70 Wiring Schematic Shelectrik Com
Honda Motorcycle Wiring Wiring Diagrams
Hero Splendor Plus Mileage Setting
Hero Pleasure Wiring Diagram Splendor Plus Hero Honda
2004 Ford Crown Victoria Speedometer Wiring Diagram
Service Manuals The Junk Man S Adventures
Kubota Df750 Engine Parts Diagram Wiring Schematic Diagram
Wiring Harness Cd Dawn Ks Swiss
Wiring Diagram Of Honda Livo List Of Wiring Diagrams
Wiring Diagrams Of Indian Two Wheelers Team Bhp
2001 Jetta Wiring Harness Problems Free Download Diagrams
Make A Sound Card With Pcm2704
Motorola R2 Regulator Wiring Diagram Wiring Schematic
Xbhp Com The Global Indian Biking Community
Honda Wiring Diagram Pdf Schematics Online
Hero Super Splendor Bike New Super Splendor Price Mileage
Smart Central Lock 6 Steps With Pictures
Wiring Diagram App For Ipad Circuit Maker Guitar Editor Best
Hero Honda Cd 100 Wiring Diagram Hero Super Splendor Wiring
Bikzspare Wiring Harness Splendor Nxg Ks Swiss Amazon In
Wiring Diagrams Of Indian Two Wheelers Team Bhp
Xbhp Com The Global Indian Biking Community
Diy Replacing Complete Wiring Harness Of Honda Activa
I3s Technology What Does It Mean And How This Technology
Hero Splendor Plus Colours Splendor Plus Color Images















Komentar
Posting Komentar